Niezależnie od marki i modelu samochodu, problemy z przekaźnikiem wentylatora mają podobne objawy. Kluczowym jest rozpoznanie pierwszych sygnałów nieprawidłowego działania, które mogą uchronić przed poważniejszymi uszkodzeniami układu chłodzenia. Dzięki podstawowej wiedzy technicznej i kilku prostym narzędziom, każdy kierowca może przeprowadzić podstawową diagnostykę.
W tym artykule pokażemy krok po kroku, jak samodzielnie sprawdzić przekaźnik wentylatora chłodnicy, jakich narzędzi użyć i na co zwracać szczególną uwagę. Nasza instrukcja pozwoli zaoszczędzić czas i pieniądze, eliminując niepotrzebne wizyty w serwisie. Kluczowe wnioski:- Objawy uszkodzonego przekaźnika można zdiagnozować samodzielnie bez specjalistycznego sprzętu
- Podstawowe narzędzie do sprawdzenia przekaźnika to multimetr, który kosztuje około 50-100 złotych
- Nieprawidłowe działanie wentylatora może prowadzić do przegrzania silnika
- Wymiana przekaźnika jest stosunkowo prosta i tania w porównaniu z naprawą uszkodzonego silnika
- Kluczowe jest szybkie rozpoznanie objawów wadliwego przekaźnika
- Nie każda awaria przekaźnika wymaga wymiany - często wystarczy czyszczenie lub drobna naprawa
- Samodzielna diagnostyka może zaoszczędzić nawet kilkaset złotych
Objawy uszkodzonego przekaźnika wentylatora, które musisz znać
Wadliwy przekaźnik wentylatora chłodnicy może być prawdziwym nocnym koszmarem każdego kierowcy. Pierwsze objawy często są subtelne, ale z czasem mogą prowadzić do poważnych uszkodzeń silnika.
Rozpoznanie problemów z diagnostyką przekaźnika wentylatora wymaga uważnej obserwacji. Kierowcy powinni zwracać szczególną uwagę na niepokojące sygnały, które mogą wskazywać na usterkę.
Oto najczęstsze objawy świadczące o problemach z przekaźnikiem wentylatora:
- Przegrzewanie się silnika podczas postoju lub jazdy w niskich prędkościach
- Nieregularna praca wentylatora chłodnicy
- Ciągła praca wentylatora nawet po wyłączeniu silnika
- Dziwne dźwięki dochodzące z komory silnika
- Wzrost temperatury płynu chłodzącego powyżej normy
Dlaczego przekaźnik wentylatora może ulec awarii
Uszkodzenia przekaźnika chłodnicy najczęściej wynikają z naturalnego zużycia lub działania czynników zewnętrznych. Elektryczne komponenty narażone są na ciągłe wahania temperatury i wibracje.
Główne przyczyny awarii obejmują:
- Wieloletnia eksploatacja pojazdu
- Korozja styków elektrycznych
- Uszkodzenia mechaniczne
- Przepięcia w instalacji elektrycznej
- Zanieczyszczenia i wilgoć w mechanizmie
Czytaj więcej: Gree Amber Standard: Najlepszy klimatyzator dla Twojego domu
Narzędzia potrzebne do samodzielnej diagnostyki przekaźnika
Profesjonalna diagnostyka przekaźnika wentylatora wymaga odpowiedniego zestawu narzędzi. Kluczowe jest posiadanie podstawowego wyposażenia, które pozwoli na dokładne sprawdzenie instalacji.
| Multimetr | Podstawowe narzędzie do pomiaru napięcia i ciągłości obwodu |
| Tester przekaźników | Specjalistyczne urządzenie do sprawdzania działania przekaźników |
| Przewody pomiarowe | Niezbędne do podłączenia multimetru |
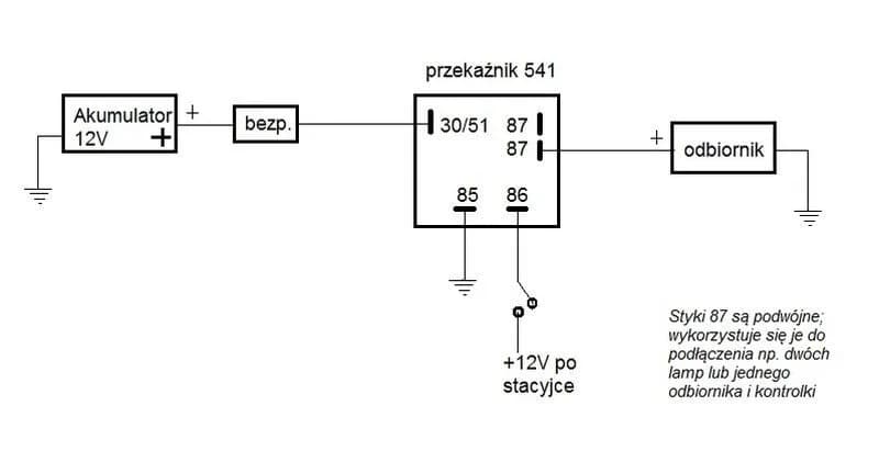
Krok po kroku: test przekaźnika multimetrem
Samodzielne sprawdzenie instalacji elektrycznej przekaźnika wentylatora może wydawać się skomplikowane, ale przy odpowiedniej wiedzy jest całkowicie możliwe. Kluczem jest systematyczne podejście i zachowanie ostrożności.
Przed rozpoczęciem testu przekaźnika chłodnicy koniecznie odłącz akumulator samochodu. Bezpieczeństwo jest najważniejsze podczas prac elektrycznych. Upewnij się, że silnik jest całkowicie zimny, aby uniknąć przypadkowych poparzeń.Dokładny proces testowania składa się z kilku kluczowych etapów:
- Lokalizacja przekaźnika w skrzynce bezpieczników
- Sprawdzenie ciągłości obwodu
- Pomiar rezystancji
- Test napięcia
- Weryfikacja działania styków
Najczęstsze błędy podczas sprawdzania przekaźnika
Amatorskie usterki wentylatora silnika często wynikają z braku wiedzy technicznej. Nawet doświadczeni kierowcy popełniają podstawowe błędy podczas diagnostyki.
Najpoważniejsze pomyłki to przede wszystkim: nieodłączenie akumulatora, używanie nieodpowiednich narzędzi czy całkowity brak wiedzy o lokalizacji przekaźnika w konkretnym modelu samochodu.
Kiedy lepiej udać się do mechanika
Granice samodzielnej wymiany przekaźnika chłodnicy są bardzo wąskie. Profesjonalista szybko rozpozna zaawansowane problemy, które amator może przeoczyć.
Zdecydowanie do mechanika należy udać się w sytuacjach, gdy: mamy do czynienia z nowoczesnymi samochodami z zaawansowaną elektroniką, nie posiadamy podstawowej wiedzy technicznej lub test przekaźnika wymaga specjalistycznego sprzętu.

Koszt wymiany przekaźnika wentylatora
Ceny części są zróżnicowane w zależności od marki i modelu samochodu. Profesjonalny przekaźnik może kosztować od 50 do 300 złotych.
Koszt wymiany w serwisie to dodatkowe 100-200 złotych robocizny. Dlatego warto rozważyć samodzielną diagnostykę i ewentualną wymianę, co może zaoszczędzić nawet do 50% kosztów.
Profesjonalna diagnostyka przekaźnika wentylatora krok po kroku
Samodzielna naprawa przekaźnika wentylatora to nie tylko oszczędność pieniędzy, ale także możliwość zdobycia cennej wiedzy technicznej. Kluczem jest systematyczne podejście, odpowiednie narzędzia i zachowanie zasad bezpieczeństwa podczas diagnostyki.
Warto pamiętać, że nie każda usterka wymaga wizyty w serwisie. Podstawowa znajomość objawów wadliwego przekaźnika, umiejętność korzystania z multimetru oraz świadomość własnych ograniczeń technicznych pozwalają na skuteczne rozwiązanie problemu. Koszt samodzielnej naprawy może być nawet o 50% niższy niż profesjonalna usługa mechanika.
Najważniejsze jest jednak bezpieczeństwo - jeśli masz jakiekolwiek wątpliwości co do swojej wiedzy technicznej, zawsze lepiej skonsultować się z profesjonalistą. Elektronika współczesnych samochodów jest coraz bardziej zaawansowana, dlatego kluczowa jest ostrożność i świadome podejmowanie decyzji naprawczych.






